Közlemény

Collapse
No announcement yet.

EAN 340/1000 vegyem - ne vegyem!

Collapse
X
 
  • Szűrők
  • Idő
  • Megjelenít
Clear All
new posts

    #16
    Megcsináltam az anyát is? DE! nagyon el rontottam.
    pasetta, Kopasz 1 és mátéapu kedvelte ezt.

    Komment


      #17
      Megcsináltam az anyát is? De csúnyán el rontottam!!!
      Kopasz 1 kedvelte ezt.

      Komment


        #18
        Azt hiszem el méreteztem. Dobhatom a kukába!

        Komment


          #19
          Csantal eredeti hozzászólása Hozzászólás megtekintése
          Azt hiszem el méreteztem.
          Mi a baj vele?
          Mit rontottál el rajta?
          Feltennéd az orsó méretezett rajzát is?
          Utoljára szerkesztve a következő által: Kopasz 1; 2022 jún. 20, 05:33.

          Komment


            #20
            A felső hengeres rész az jó mert középen van. De a menetes hüvelyt 2 mm-rel kelet volna eltolni a középvonaltól.
            Vagy a régit mértem el, vagy a rajzot szúrtam el . De ez már mindegy nem jó és ennyi.
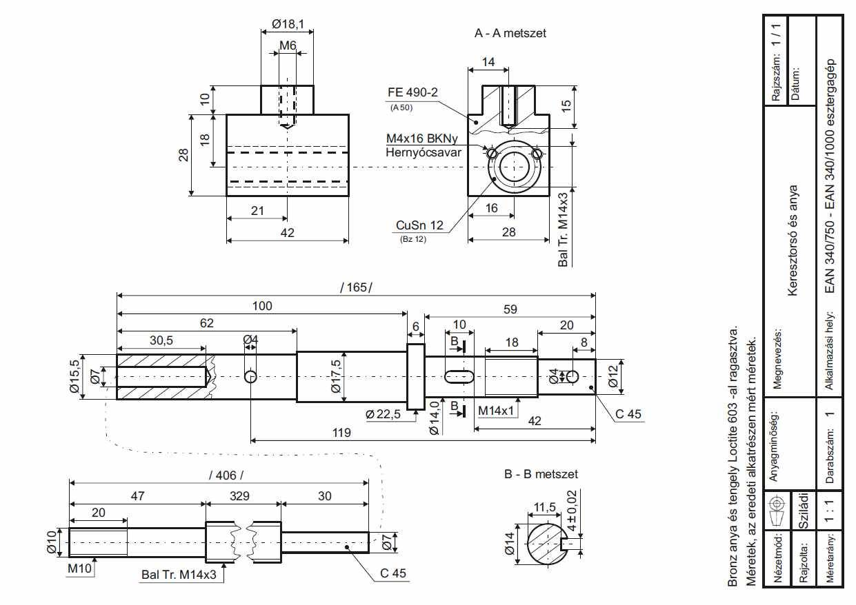
            Küldöm az órsó rajzát is.

            Komment


              #21
              Nagyon mérges vagyok. egy napom rá ment az anya készítésével és rossz lett. Biztos a rajzot csináltam rosszul. Maró gép nélkül nehéz volt.
              Az orsó viszont nagyon jó lett.

              Komment


                #22
                Csantal eredeti hozzászólása Hozzászólás megtekintése
                Küldöm az órsó rajzát is.
                Köszönöm a keresztorsó rajzát!

                Komment


                  #23
                  Csantal eredeti hozzászólása Hozzászólás megtekintése
                  De a menetes hüvelyt 2 mm-rel kelet volna eltolni a középvonaltól.
                  Miért nem azt csinálod, hogy a régi kopott anyából kifúrod a menetet.
                  Mondjuk 18 -as fúróval, és készítesz bronzból egy anyát, aminek 18 -as a külső átmérője.
                  Ezt beleragasztod (Loctite 603) a kifúrt régi menet helyére és kész.
                  A helyén van az anyában menet, akárhol is legyen.
                  Én így szoktam.
                  Nem készítek a menetnek új "házat".
                  Úgy néz ki, ma délután lesz egy kis időm, lerajzolom és felteszem ide.

                  Komment


                    #24
                    Nem akarom a régit elrontani. Meg tartom tartaléknak. Biztos ami biztos!

                    Komment


                      #25
                      Csantal eredeti hozzászólása Hozzászólás megtekintése
                      Vagy a régit mértem el, vagy a rajzot szúrtam el
                      Nagyjából (+ - 0,1 - 0,2 mm pontosan) megtudod mérni a menet helyzetét, ha az anya oldalától megméred az anya menetmagasságát minkét (három, alul is) oldalon.
                      Ekkor megkapod a középponttól való eltolást.
                      Viszonyítási alapnak jó.

                      Komment


                        #26
                        Csantal eredeti hozzászólása Hozzászólás megtekintése
                        De a menetes hüvelyt 2 mm-rel kelet volna eltolni a középvonaltól.
                        Vagy a régit mértem el, vagy a rajzot szúrtam el . De ez már mindegy nem jó és ennyi.
                        Volt egy kis időm és lerajzoltam az anyát és az orsót is.
                        Ezek a méretek a jók?
                        A trapézmenetnél jelzett 329 mm. az a menethossz, vagy a toldott tengelyrész teljes hossza?
                        Le tudnád fényképezni a régi eredeti anyát, úgy, mint az újat?
                        Mert a fényképeid alapján jól kimérhető az 1 mm. -es eltolás.
                        Kíváncsi vagyok a régi anyára.
                        Attached Files
                        Utoljára szerkesztve a következő által: Kopasz 1; 2022 jún. 21, 11:41.

                        Komment


                          #27
                          Azért gondolkodjunk a felújítók eszével:mikor a szán kopik a szorítólécet utána állítjuk az már félreviszi a csuszkát ezután egy felújításnál biztos,hogy csak tisztára köszörülik a prizmát ami ugye még jobban hátrébb tolja a szerkezetet ezért nem központos az anya tengelyvonala . A másik:a magasság is változik azt is hézagolni vagy szabályozni kell.....Már a gyártásnál is volt több eltérés,ami azt jelenti,hogy a kézzel munkált és a hozzájuk kapcsolódó alkatrészek nem cserélgethetők átalakítás hézagolás nélkül. Uff.
                          "Rohan az életed és rohan az út.Elmarad mögötted lassan a múlt.Nem tudod biztosan,hogy hová is mész,de úgy is észre veszed ha oda érsz."V.A.

                          Komment


                            #28
                            mátéapu eredeti hozzászólása Hozzászólás megtekintése
                            Azért gondolkodjunk a felújítók eszével
                            Ezért írtam Csantal -nak, hogy kíváncsi vagyok az eredeti kopott anyára.

                            Komment


                              #29
                              Köszönöm a rajzot. Küldök egy fotót az anyáról. Ha legközelebb kiszerelem Le fotózom pontosabban, mert ez a kép nem a legjobb.
                              A beszélgetésetekből látszik, hogy nem ma kezdtétek (nem úgy mint én). Én villanyszerelő vagyok, de érdekel az eszergálás is. Tanulni soha nem késő.
                              Még egyszer köszönöm a segítségeteket.

                              Komment


                                #30
                                Csantal eredeti hozzászólása Hozzászólás megtekintése
                                Köszönöm a rajzot.
                                Nagyon szívesen. Gyárilag az anyában a menet mind középvonalban van. Ha nem így van, akkor már az évek során javítva, korrigálva lett. Javítás, vagy felújítás alkalmával. Ilyenkor már függőleges irányban is elmegy a menetközéppont, nem csak vízszintesen.
                                Ennek a gépnek nem osztott az anyája? A holtjáték utánállítás miatt kérdem.
                                Utoljára szerkesztve a következő által: Kopasz 1; 2022 jún. 22, 09:54.

                                Komment

                                Ugrás az oldal tetejére
                                Working...
                                X

                                Debug Information