Nekiláttam a mókolásnak egy kis méretpróbával, közben wsievers ötlete alapján agyalok az alátét kialakításán

Közlemény
Collapse
No announcement yet.
Jawa 350 634
Collapse
X
-
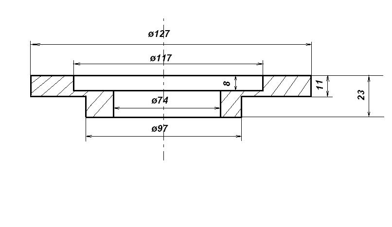
Kedves Gergőke!Nézd át a rajzodat mert ez így 2 db.alátét és nem forgástest.És vannak benne méretezési gondok , így nem lehet elkészíteni. Ha kicsit utána számolsz és mindkét oldalhoz hozzá adod / kör alakú/ rájössz a méretezési hibára. Jobb lesz ha leszereled a helyéről és elviszed egy esztergályos szakihoz csak a vastagságot határozd meg pontosan a többiben segítségedre lesz.
Komment
-
Rosszul értelmezett, túlhatározott, félreérthető és hibás.(feladtam a lamellát tegnap, remélem odaér)
Fele méret elég.Utoljára szerkesztve a következő által: wsievers; 2014 jan. 28, 08:56."When you're miserable...you need someone...even more miserable than yourself."
"Dneprs don't leak oil, they mark their territory!"
Komment
-
Szia Gergőke!
Kérlek ne sértődj meg, de a rajzodon alapvető értelmezési problémák vannak. Forgástestről lévén szó elegendő, ha az átmérőket megadod pl így: Ø74. Utána elegendő a hosszméretek közül a 23 és a 12, valamint a 15 helyett a nagyobb átmérőtől megadni a 8 mm-t, mint a süllyesztés (Ø117) mélységét.
Nem egyszerű ez a műszaki rajz (suliban is 2 évig tanultuk) de nem is ördöngösség. Itt sok minden megtanulhatsz rövid idő alatt:
https://www.google.hu/search?q=m%C5%...sm=93&ie=UTF-8
Ezt a linket válaszd ki: 09 a muszaki rajzkeszites szabalyai.ppt
Remélem nem veszed kioktatásnak. Ha valaki ennyire lelkesedik a motorokért, akkor az megérdemli, hogy segítsünk neki a műszaki szemlélet elsajátításában.
Üdvözlettel: CZsoltiChe kedvelte ezt.
- 1 like
Komment
-
Köszönöm a segítséget!
szerk: leültem végre a gép elé
köszönöm a műszakirajz gyorstalpalót , sajna inkább a szakrajzzal nyüstöltek minket mint a műszakival anno.
A generátor forgórészét felraktam, dremellel és gömbmaróval zümmögni kellett egy félórát mire a stift bevágását átfaragtam, de fentvan.
Az értelmezhető műszakirajzzal pedig holnap körbejárom a helyi esztergásokat, hátha valaki hajlandó bevállalni emberi határidővel.
És van egy olyan sanda gyanum, hogy a réi dinamó öntött rögzítőfülei is a dremel áldozatai lesznek..Utoljára szerkesztve a következő által: Gergőke; 2014 jan. 29, 00:50.CZsolti kedvelte ezt.
- 1 like
Komment
-
Inkább a generátorházból faragj,ha kell. Mindíg a visszaalakíthatóság az elsődleges egy veteránnál.régi dinamó öntött rögzítőfülei is a dremel áldozatai lesznek"When you're miserable...you need someone...even more miserable than yourself."
"Dneprs don't leak oil, they mark their territory!"
- 3 likes
Komment
-
Szép estét kollégák!
Olyan kérdésem lenne, hogy mint várható volt, a 350es 472-es elől-hátul dobfékes Czetkám nem menne át vizsgán egy előre berakott nem gyári tárcsafékes villával...elvileg műbizonylattal vagy valami módon esélyes...nos, ilyet honnan tudnék elővarázsolni????
Illetve nincs kiskapu? Honnan tudják hogy nincs, tegyük fel limitált szériás darab ilyen típusból??
Köszöntem előre! Üdv!
Komment
-
A hozzáférhető típusok szerepelnek a nyilvántartásukban,a típus-azonos fődarabokat is engedélyeztetni kell.A kiskapu:amit a Heryisek is csinálnak,átalakításról tervet és rajzot készíttetnek és úgy vizsgáztatják!Illetve nincs kiskapu? Honnan tudják hogy nincs, tegyük fel limitált szériás darab ilyen típusból??
Meg kell gondolni,mibe vág bele az ember,mi fér a keretbe!!!!"Rohan az életed és rohan az út.Elmarad mögötted lassan a múlt.Nem tudod biztosan,hogy hová is mész,de úgy is észre veszed ha oda érsz."V.A.
- 1 like
Komment

Komment