Közlemény

Collapse
No announcement yet.

MZ ETZ 150 újravezetékelés

Collapse
X
 
  • Szűrők
  • Idő
  • Megjelenít
Clear All
new posts

    MZ ETZ 150 újravezetékelés

    Üdv!
    Segítséget szeretnék kérni újravezetékelés ügyben.
    Egy ismerősömnek van egy MZ ETZ 150-e a vezetékek ki vannak rajta kötve, meg van minden gyakorlatilag csak jó helyre kellene dugni minden kábelt, csatlakozót.
    Szükségem volna egy használható MZ ETZ 150 villamossági rajzra aminek a segítségével rendbe lehetne rakni a rendszert.
    Van nekem egy "MZ hogyan tovább?" című könyvem, de azzal nem tudtam neki segíteni mivel abban csak a TS 125-150 illetve a TS 250-nek a villamossági rendszere van benne.
    Interneten keresgéltem, van pár rajz, de vagy cseh vagy olyan hogy nincs pl megadva a gyújtáskapcsolónak, hogy melyik kábel hova megy hanem csak egy vezeték csomópont van.

    Tehát egy hasonló rajzot szeretnék mint ez
    http://users.atw.hu/comptown/K%C3%A9...jz_MZ-Club.jpg
    CSAK MZ ETZ 150-hez.

    Előre is köszönöm ha valaki elolvasta.
    Külön köszönet, ha valaki tud is rajzot küldeni.

    #2
    Üdv.!
    Ilyeneket találtam, nem tudom mennyire használható...

    https://www.guesi-motorradteile.de/service/MZetz12v.jpg

    http://www.2rad-st-egidien.de/MZ_ETZ...251,%20301.jpg

    http://www.2rad-st-egidien.de/MZ_ETZ...n_ab_1989).jpg

    Én az ES-em újra vezetékezését csináltam meg tavaly 0 hozzáértéssel, 3 rajz és sok fórumos segítség alapján
    Fergusson kedvelte ezt.

    Komment


      #3
      Ha tippelek akkor azt mondom hogy a 150-es és a 250-es ETZ bekötése között nincs semmi különbség, csak a ccm más.
      Fergusson kedvelte ezt.

      Komment


        #4
        Üdv.
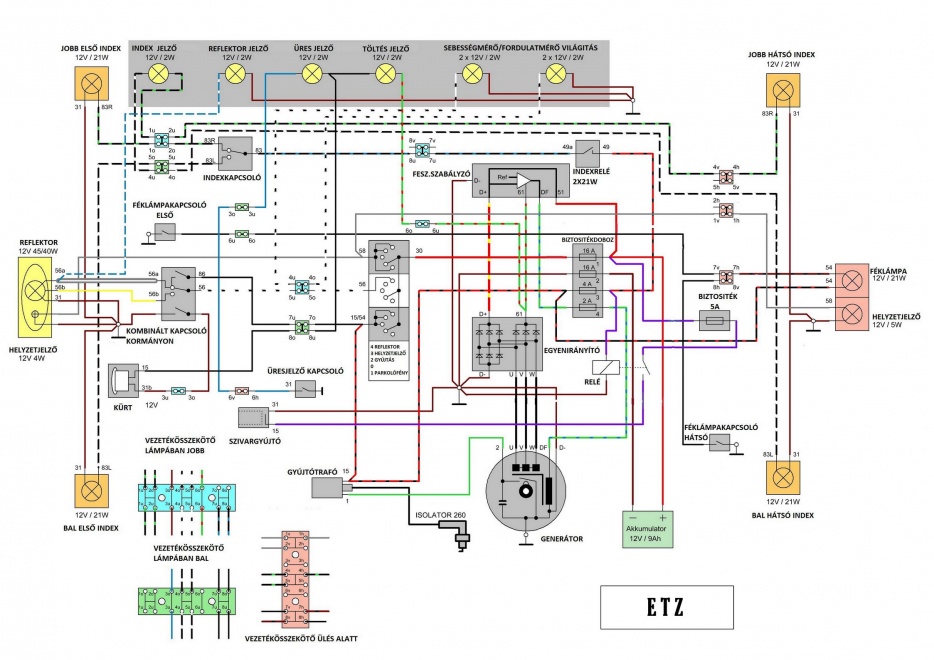
        Talán ezeket is tudod majd használni:

        Click image for larger version

Name:	ETZ-kapcsolási-rajz.jpg
Views:	1
Size:	201.0 KB
ID:	151598
        Click image for larger version

Name:	ETZ-kapcsolási-rajz-HU-A2.jpg
Views:	1
Size:	190.8 KB
ID:	151599

        Komment


          #5
          Köszönöm a válaszokat

          Komment


            #6
            Én az ES-em újra vezetékezését csináltam meg tavaly 0 hozzáértéssel, 3 rajz és sok fórumos segítség alapján
            Ha már itt tartunk, honnan lehet szerezni járműipari vezetéket, azaz ami színes és azon belül is van egy másik színű csík???

            Komment


              #7
              járműipari vezetéket
              Azt nemtom. Én 3 boltot járok végig,hogy minden színből legyen készletem. Elég sok köteget készítek sk. Ha van türelmed bontogatni:autóbontó.
              OdinHEM és mátéapu kedvelte ezt.

              Komment


                #8
                Én innen szoktam venni. Bár ezek is csak egyszínűek, de abból legalább van párféle.
                Atti69 kedvelte ezt.

                Komment

                Ugrás az oldal tetejére
                Working...
                X

                Debug Information